C6兩腳陶瓷晶振,6035mm小封裝晶體,PDI歐美進口晶振,PDI無源晶振,無源SMD晶振,陶瓷諧振器,兩腳貼片晶振,SMD crystal,無源晶體,輕薄型晶振,尺寸6.0x3.5mm,頻率范圍8~200MHZ,高頻晶振,低成本晶振,低損耗晶振,高精度晶振,智能音響晶振,筆記本電腦晶振,影音系統晶振,娛樂設備晶振,便攜式設備晶振,數碼相機晶振.
C6兩腳陶瓷晶振,6035mm小封裝晶體,PDI歐美進口晶振特點:
陶瓷諧振器2襯墊石英水晶
C6的成本很低
小尺寸晶體
用于緊身板應用.
C6兩腳陶瓷晶振,6035mm小封裝晶體,PDI歐美進口晶振 參數表
| PARAMETER |
MINI- MUM |
MAXI- MUM |
UNITS | |||||
| Center Frequency | 8 | 200 | MHz | |||||
| Maximum Series Resistance(See Note 3) | 90 | Ohms | ||||||
| Frequency Stability at +25°C (See Note 2) | 10 | 100 | ppm | |||||
| Frequency Stability Over Temperature | 10 | 100 | ppm | |||||
| Operating Temperature Range (See Note 2) | -20 to 70 | °C | ||||||
| Storage Temperature Range | -40 to 85 | °C | ||||||
| Drive Level | 100uW | uW | ||||||
| Shunt Capacitance | 7.0 | pF | ||||||
| Motional Capacitance | Customer Specified | |||||||
| Load Capacitance |
18 (Customer Specified) |
pF | ||||||
| Aging per year | +2 | ppm | ||||||
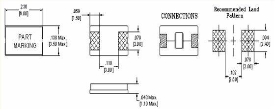
C6兩腳陶瓷晶振,6035mm小封裝晶體,PDI歐美進口晶振 尺寸圖


SWS212兩腳無源晶體,松圖實時時鐘晶振,SWS2129F48-32.768K
Bomar薄型晶振,BC46CFD112.5-32.768K,3215mm,32.768K無源晶體
2012mm兩腳晶振,CU222音叉晶振,NAKA水晶振動子,32.768KHZ晶體
C3水晶振動子,美國PDI小體積晶振,3225mm晶體諧振器
5032mm四腳石英晶體,PDI物聯網晶振,C5高質量晶振
6035mm,52MHZ,AAV52M000000FLH32H,STD晶體諧振器
FMXMC3S2120FFC-20.000000M-CM,5032mm,FMXMC3S2系列,FMI貼片晶體
223-000306-20,8038mm,Oscilent時鐘晶振,223系列,32.768KHZ
SMX-315,3215mm,32.768KHZ時鐘晶振,Quartzcom石英通音叉晶振
WC315-32.768KHZ-T,WC315,3215mm,Mmdcomp石英晶振


