頻率:1~80MHZ
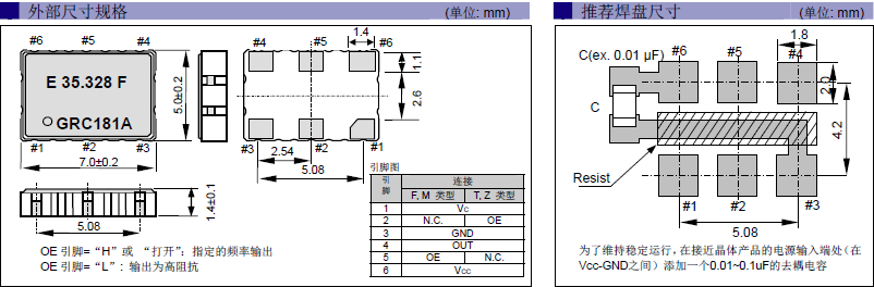
尺寸:5.0×7.0mm
VCXO是指這款晶體產品控制功能只有單壓控也就是電壓控制功能,產品本身頻率精度可以隨著電壓搞定起伏來自動調整頻率,使產品永遠控制在一定的頻率范圍,壓控晶振(VCXO)壓控石英晶體振蕩器基本解決方案,調制解調器,ADSL網絡控制器,無線基站,程控交換設備智能手機,筆記本晶振等符合RoHS/無鉛。
EPSON晶振,壓控晶體振蕩器,VG-4231CA晶振,小型SMD有源晶振,從最初超大體積到現在的7050mm,6035mm,5032mm,3225mm,2520mm體積,有著翻天覆地的改變,體積的變小也試產品帶來了更高的穩定性能,接縫密封石英晶體振蕩器,精度高,覆蓋頻率范圍寬的特點,SMD高速自動安裝和高溫回流焊設計,Optionable待機輸出三態輸出功能,電源電壓范圍:1.8V?5 V,高穩定性,低抖動,低功耗,主要應用領域:無線通訊,高端智能手機,平板筆記本WLAN,藍牙,數碼相機,DSL和其他IT產品的晶振應用,三態功能,PC和LCDM等高端數碼領域,符合RoHS/無鉛.
|
型號 |
VG-4231CA晶振(VCXO) |
|
|
輸出頻率范圍 |
1~80MHz |
|
|
標準頻率 |
19.2MHz/26MHz/38.4MHz/40MHz/52MHz |
|
|
電源電壓范圍 |
+3.3V~+5V |
|
|
電源電壓(Vcc) |
+3.3V |
|
|
消耗電流 |
+20mA max. |
|
|
待機時電流 |
- |
|
|
輸出電壓 |
0.8Vp-p min.(f≦52MHz)(削峰正弦波/DC-coupled) |
|
|
輸出負載 |
10kΩ//15pF |
|
|
頻率穩定度 |
常溫偏差 |
±1.5×10-6 max.(After 2 reflows) |
|
溫度特性 |
±1.0×10-6,±2.5×10-6 max./-30~+85℃ |
|
|
電源電壓特性 |
±0.2×10-6 max.(VCC ±5%) |
|
|
負載變化特性 |
±0.2×10-6 max.(10kΩ//10pF±10%) |
|
|
長期變化 |
±1.0×10-6 max./year |
|
|
頻率控制 |
控制靈敏度 |
±3.0×10-6~±5.0×10-6/Vcont=+1.4V±1V @VCC≧+2.6V |
|
頻率控制極性 |
正極性 |
|
抗沖擊
晶體產品可能會在某些條件下受到損壞.例如從桌上跌落或在貼裝過程中受到沖擊.如果產品已受過沖擊請勿使用.
輻射
暴露于輻射環境會導致產品性能受到損害,因此應避免照射.
化學制劑 / pH值環境
請勿在PH值范圍可能導致腐蝕或溶解產品或包裝材料的環境下使用或儲藏這些產品.
粘合劑
請勿使用可能導致產品所用的封裝材料,終端,組件,玻璃材料以及氣相沉積材料等受到腐蝕的膠粘劑. (比如,氯基膠粘劑可能腐蝕一個晶體單元的金屬“蓋”,從而破壞密封質量,降低性能.)
鹵化合物
請勿在鹵素氣體環境下使用產品.即使少量的鹵素氣體,比如在空氣中的氯氣內或封裝所用金屬部件內,都可能產生腐蝕.同時,請勿使用任何會釋放出鹵素氣體的樹脂。EPSON晶振,壓控晶體振蕩器,VG-4231CA晶振
愛普生株式會社EPSON晶振不僅遵守與環保相關的法規、條例及其他本公司贊同的要求事項,也根據需要自主性的制定基準,通過持續性的展開環保活動來預防污染。
在設定環保目的與目標展開活動的同時,定期重審環境管理體系,努力提高環保活動的水平。
愛普生株式會社通過與地區的交流及社會貢獻活動,為地區的環保做貢獻。
將環保活動的信息向公司內外公開,積極努力的與地區社會及相關人員建立信賴關系,為社會的發展做出貢獻。
通過此方針的公文化,在向公司員工及從事本事業領域業務的所有相關人員徹底傳達的同時,也向公司外部公開。
愛普生石英晶振集團將建立可行的技術及經濟性環境目標,并確保其環境保護活動的質量。
愛普生晶振集團公司將關注所有環境適用的法律、法規和協議的遵守情況。另外為更有效的進行環境保護,將建立自己的特有的環境標準。
精工愛普生晶振集團將在各領域內的商務運作中實施持續改進,包括能源資源的保持,回收再利用以及減少廢棄物等。EPSON晶振,壓控晶體振蕩器,VG-4231CA晶振
深圳市龍湖電子有限公司
服務熱線:86-0755-29952551
手機聯系:136-3294-3514
Q Q聯系:969080538
郵 箱:longhusz@163.com
地 址:深圳市寶安區新安街道安樂社區二街


